Product Feature
(1)Slip-on Independence Cold Finger Desgin
(2)Support custom cold head interfaces
(3)Built-out High-precision Drive Controller
(4)Small size / light weight / rapid cooling / low vibration / long lifespan
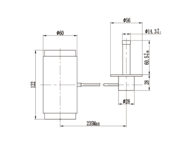
Key Specification
(1)Total Cooling Power: 2.8W@77K@23℃
(2)Typical Cool Down Time: 10min@77K@23℃
(3)Typical Maximum Input Power: 120W℃
(4)Input Voltage: 28V℃
(5)Cooler Weight: 2kg
(6)Cold Finger Diameter :14.3mm
(7)Basic MTTF(hr): 30000h
(8)Ambient Temperature Range - Operation :-55℃~71℃
Application Field
Temperature above 77K / Infrared Detector up to 1024×1024

Product Reference IFF-C0_8C04 Product Introduction Infrared Filters feature low insertion loss and high out-of-band rejec...

Product Reference IFF-C0_8B04 Product Introduction Infrared Filters feature low insertion loss and high out-of-band rejec...

Product Reference IFF-C0_8C03 Product Introduction Infrared Filters feature low insertion loss and high out-of-band rejec...

Thank you for your message and we will contact you within 24 Hours of your submission to resolve your issue
Online consultation